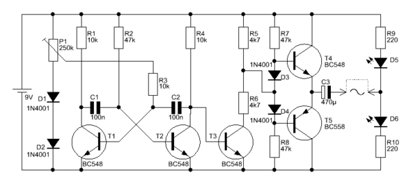
[41+] Einfacher Wechselrichter , Warum Funktioniert Mein Wechselrichter Nicht? - Mikrocontroller.net
Einfacher Wechselrichter Schaltplan Schaltplan Wechselrichter Mikrocontroller
If you are {looking for|searching about} Wohnwagen Batterie Nachrüsten Schaltplan you've {came|visit} to the right {place|web|page}. We have 15 {Pics|Pictures|Images} about Wohnwagen Batterie Nachrüsten Schaltplan like Wechselrichter Schaltplan Einfach, 42. Wechselrichter 12->230V... auf Knolles Elektronik Basteln Page and also Pv Wechselrichter Schaltplan - Wiring Diagram. {Read more|Here you go|Here it is}:











Komentar
Posting Komentar